精密仪表

PRODUCT CENTERS

产品中心( Product Centers )

联系我们(Contact Us)

电话:(TEL) 86-29-88633439 传真:(FAX) 86-29-88633439 联系人:王云 Wang Yun 手机:(Phone) 18092189061 QQ:点击这里给我发消息 联系人:李肖 Li Xiao 手机:(Phone) 18092189060 QQ:点击这里给我发消息 邮箱:mtjd029@163.com 地址:西安市莲湖区劳动北路98号
NO.98 North Lao Dong Road,LianHu District, Xian,Shaanxi,China
当前位置:首页 > 产品中心 > 操作器仪表 > 精密仪表 > 

YB-150精密压力表

时间:2026-01-16  来源:西安美天机电设备有限公司  浏览次数: 112次
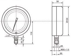
精密压力表主要用来校验工业用普通压力表,也可在工艺现场精确测量对铜合金和合金结构钢等材质无腐蚀性、非结晶、非凝固介质的压力。该仪表在标度线下设置有镜面环(A型B型),在使用中读数更清晰精确。并带有调零装置(B型)。结构原理仪表由测压系统、传动机构、指示装置和外壳组成。测压弹性元件经特殊工艺处理,使其性能稳定可靠,与高精度的传动机构配套调试后,能确保精确的指示精度。仪表的工作原理是:当被测介质的压力作用于弹性元件后,使其产生弹性变形一位移,经拉杆带动传动机构放大,由指示装置指示被测压力。主要技术指标测量...
产品型号:YB-150
服务热线:029-88633439

1.jpg

精密压力表主要用来校验工业用普通压力表,也可在工艺现场精确测量对铜合金和合金结构钢等材质无腐蚀性、非结晶、非凝固介质的压力。

该仪表在标度线下设置有镜面环(A型B型),在使用中读数更清晰精确。并带有调零装置(B型)。

结构原理

仪表由测压系统、传动机构、指示装置和外壳组成。测压弹性元件经特殊工艺处理,使其性能稳定可靠,与高精度的传动机构配套调试后,能确保精确的指示精度。

仪表的工作原理是:当被测介质的压力作用于弹性元件后,使其产生弹性变形一位移,经拉杆带动传动机构放大,由指示装置指示被测压力。

主要技术指标

测量范围、精确度等级及特点

型号弹簧管材料测量范围精确度等级

结构特点

YB-150A锡磷青铜铬钒钢

0~0.1;0~0.16;

0~0.25;0~0.4;

0~0.6;0~1;0~1.6;

0~2.5;0~4;0~6;0~10;

0~16;0~25;0~40;0~60;
0.4镜面
YB-150B0.25镜面

使用环境条件:5~40℃,相对湿度不大于80%,且环境震动和压力源的波动对仪表的精确读数无影响。

温度影响:使用环境温度如偏离20±3℃(A 型)或20±2℃(B 型)时,则须考虑温度附加误差0.4%/10℃。

重量:1kg(A 型 ) 1 . 4kg(B 型)

YB-150A                                                        YB-150B

                   


服务热线

029-88633439

手机

18092189061

地址:西安市莲湖区劳动北路98号

微信扫描二维码